庫卡機器人KR6 R900五六軸手腕

 

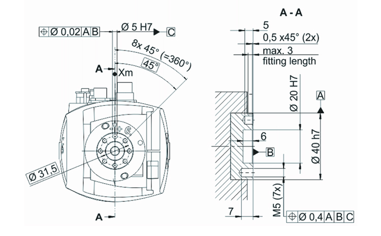
KUKA庫卡機器人KR6 R900五六軸手腕尺寸:15:*12*12cm

KUKA庫卡機器人KR6 R900五六軸手腕重量:3kg

 

庫卡機器人KR6 R900五六軸手腕

 

庫卡機器人KR6 R900五六軸手腕

 

庫卡機器人KR6 R900五六軸手腕

 

庫卡機器人KR6 R900五六軸手腕

 

KR6 R900庫卡機器人大負載能力達 6kg,作用半徑長達約 901.5mm。KR6 R900系列款式如下:

KR 6 R900-2

執(zhí)行環(huán)境:標準

安裝位置:天花板, 地板, 墻壁, 夾角

防護等級:IP65, IP67

 

KR 6 R900 CR

執(zhí)行環(huán)境:潔凈室

安裝位置:天花板, 地板, 墻壁, 夾角

防護等級:IP54

 

KR 6 R900 EX

執(zhí)行環(huán)境:防爆區(qū)

安裝位置:地板

防護等級:IP67

 

KR 6 R900 HM-SC

執(zhí)行環(huán)境:潔凈機器特殊連接

安裝位置:天花板, 地板, 墻壁, 夾角

防護等級:IP65, IP67

 

KR 6 R900 WP

執(zhí)行環(huán)境:防水

安裝位置:天花板, 地板, 墻壁, 夾角

 

防護等級:IP67